Дверной замок промышленного шкафаявляется ключевым защитным компонентом распределительного шкафа, шкафа связи, блока управления и другого оборудования, который напрямую связан с безопасностью внутренних электрических компонентов и стабильной работой системы.
Чтобы удовлетворить разнообразные требования ко времени доставки и спецификациям для различных проектов, наша компания всегда имеет на складе пять типов часто используемых замков:Длинный барный замок, Блокировка панели, Блокировка управления стержнем, Замок ручки,Поворотный фиксатор языка. При этом мы поддерживаем любой нестандартный замок, изготовленный по чертежам или образцам, который идеально подходит для всех видов металлических распределительных коробок.
Плоский замок — один из самых распространенных типов дверных замков промышленных шкафов, красивый и простой в уходе. Наша компания выпустила плоские замки серий AB301, AB302, AB303, AB402, AB403, которые по структурной прочности, защитным характеристикам и эксплуатационным ощущениям имеют дифференцированную конструкцию и могут соответствовать различным спецификациям распределительной коробки и требованиям к установке шкафа управления.
| Размеры | Номер продукта | |||||||
| Л1 | Л2 | Л3 | Б1 | Б2 | Серое хромирование | Серая аэрозольная краска | Порошковое покрытие черного цвета | Вес (г) |
| 147 | 117 | 72 | 33 | 26.5 | АБ301-1-1.2 | АБ301-1-1,8 | АБ301 | 370 |
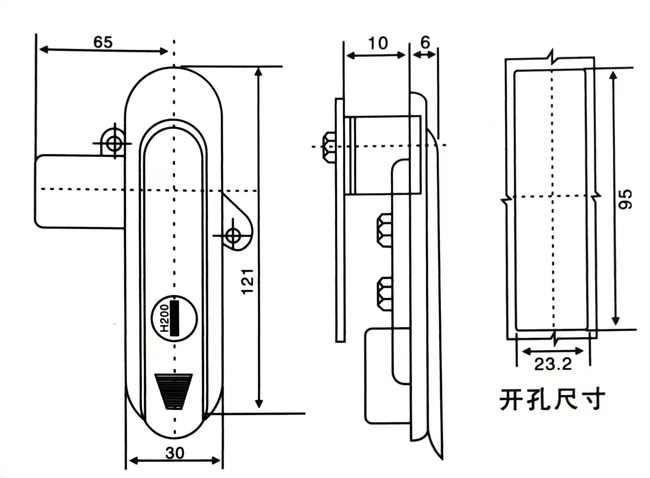
| 120.5 | 95.5 | 65 | 30 | 23.5 | АБ301-2-1.2 | АБ301-2-1,8 | АБ302 | 290 |
| 87.5 | 62.5 | 65 | 28.5 | 23.5 | АБ301-3-1.2 | АБ301-3-1,8 | АБ303 | 215 |
Основной материал: цинковый сплав.
Обработка поверхности: яркий хром, матовый, черный.
Функция и использование: Обеспечивает открывание левой и правой двери, простое в использовании, с функцией герметизации и водонепроницаемости.
Основной материал: цинковый сплав.
Обработка поверхности: яркий хром, матовый, черный.
Функция и использование: Обеспечивает открывание левой и правой двери, простое в использовании, с функцией герметизации и водонепроницаемости.
Материал: корпус замка из цинкового сплава, вращающийся вал, болт из оцинкованной стали, нажимная пластина.
Обработка поверхности: нано-спрей серебристо-серого цвета.
Описание конструкции: Поверните на 90 градусов, чтобы открыть или заблокировать.
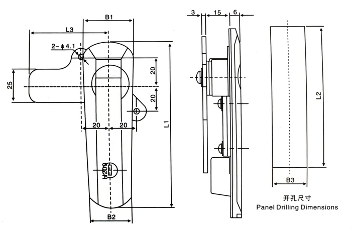
| МОДЕЛЬ | Л1 | Л2 | Л3 | Б1 | Б2 | Б3 |
| НОВЫЙ AB402-A | 123 | 95.5 | 65 | 36.5 | 30 | 23.5 |
| НОВЫЙ AB403-A | 91 | 62.5 | 65 | 33 | 28.5 | 23.5 |
| НОВЫЙ AB401-A | 151 | 117 | 72 | 36 | 30 | 26.5 |
